SRAM
SRAM (kratica od engl. static random access memory) ili u prijevodu na hrvatski jezik statički RAM, jedna je od izvedbi poluvodičke memorije.
Funkcionalni opis
SRAM održava spremljene podatke sve dok integrirani krug dobiva napajanje pa je u prednosti u odnosu na DRAM čiji se sadržaj mora stalno osvježavati. Brzine pristupa i čitanja su kod SRAM-a također mnogo veće nego kod DRAM-a, pa se SRAM obično koristi za priručnu memoriju (cache) ili za računala gdje je brzina osnovni cilj. Pored toga CMOS izvedba SRAM-a u stanju mirovanja troši zanemarivu struju pa se može napajati iz baterije ili kondenzatora u svrhu dužeg čuvanja podataka.
Struktura

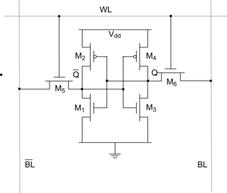
SRAM čipovi se sastoje od bistabila. Bistabil je elektronički sklop koji može biti u dva stanja, od kojih jedno stanje zovemo logičkom nulom, a drugo logičkom jedinicom. Tako svaki bistabil pohranjuje jedan bit, a njihovim velikim brojem dobivamo današnje SRAM čipove od 128 - 512 KB. Mana SRAM čipova u odnosu na DRAM je njihova veličina - najjednostavniji bistabil se izvodi pomoću dva tranzistora, 4 otpornika i dvije diode pa time zahtjeva prilično više prostora od bitno jednostavnije izvedbe DRAM-a.
Za razliku od DRAM-a, zauzima znatno više prostora, jer smješta puno manje memorijskih elemenata u isti obujam, a osim toga, znatno je skuplji. SRAM se uglavnom rabi za predmemorije.