Peltonova turbina




Peltonova turbina je vodna turbina koja se koristi za velike padove (preko 200 m) i manje protoke vode. Ona je među turbinama s najvećim stupnjem iskorištenja. Izumio ju je Lester Allan Pelton 1878. Ona je glavni predstavnik turbina slobodnog mlaza ili akcijskih turbina. Geometrija lopatica tako je postavljena da se one okreću s pola brzine mlaza vode, koriste skoro svu količinu gibanja mlaza vode, koji napušta turbinu gotovo bez ikakve brzine. Ona nije potopljena u vodi i lopatice se okreću u zraku. Maksimalna snaga može biti do 200 MW.
Povijest
Pelton se rodio u mjestu Vermilion; američka savezna država Ohio. Roditelji su mu bili farmeri. Kada je imao 20 godina, Pelton se s prijateljima zaputio u Kaliforniju, gdje je vladala zlatna groznica u to vrijeme. Prvo su se zaustavili u Sacramentu, gdje su lovili ribu i prodavali je rudarima. 1860. čuli su o novim nalazištima zlata u planinama Sierra Nevade, te su i oni krenuli tim putem. Pelton nije bio zainteresiran za rudarenje, više je radio kao stolar. Bio je miran i povučen, pa je puno vremena provodio u čitanju i praćenju rada u rudnicima. [1]
Iako su se u rudnicima već koristili parni strojevi, nedostatak je bio što je trebala velika količina drva. Zato su se koristila i vodenička kola, gdje je voda bila dostupna. Ideja za Peltonovu turbinu došla je sasvim slučajno. Dok je jednom Pelton promatrao vodeničko kolo dok se okretalo, dogodilo se da je osovina kola ispala malo iz ležaja i lagano se nagnula. Iako se očekivalo da će se kolo zaustaviti, dogodilo se nešto sasvim neočekivano. Kako je mlaz vode udarao malo sa strane u lopatice, odjedanput se vodeničko kolo počelo brže okretati nego prije. Peltonu je došao na novu ideju, jer je shvatio da mlaz vode ne treba udarati u središte lopatice, već da će dobiti bolje rezultate ako udara sa strane, tako da voda može napustiti lopatice bez sudaranja sa nadolazećim mlazom vode. [2]
1878. Pelton je napravio prototip nove turbine i isprobao ga je. Ispostavilo se na kraju da njegov model ima stupanj iskorištenja 90%, a svi dosadašnji modeli vodeničkih kola nisu prelazili 40%. 1887. rudari iz Sierra Nevade su spojili Peltonovu turbinu na dinamo, i tako su počeli dobivati električnu struju, te je to bila prva hidroelektrana u tom području. Kako je zahtjeva za turbinom bilo puno, Pelton je ubrzo postao poduzetnik i otvorio je svoju radionicu za izradu Peltonovih turbina. [3]
Peltonova konstrukcija poslužila je i za izradu Turgo turbina i Banki turbina.
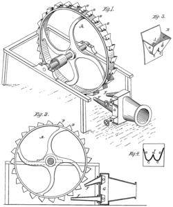
Način rada
Rotor
Rotor turbine se obično sastoji od 12 do 40 lopatica, a svaka je lopatica oštrim bridom podijeljena u dva jednaka ovalna dijela. Ovakav oblik lopatice „reže“ mlaz vode u dva dijela od kojih svaki napušta lopaticu pod kutom od gotovo 180°. Osebujnost lopatica Peltonovih turbina je u tome što nisu stalno opterećene, kao npr. lopatice rotora Francisovih turbina, već su samo privremeno u dodiru s mlazom. Tijekom dodira lopatice s mlazom nagib lopatice prema mlazu, kao i mjesto gdje ovaj ulazi u lopaticu, se stalno mijenja.
Ovisno o konstrukciji, Peltonove turbine mogu imati jednu ili više mlaznica, odnosno slobodnih mlazova, a rotor turbine može biti postavljen na vodoravno ili okomito vratilo, na kojem mogu biti postavljena jedan ili dva rotora. Postavljanje više rotora na okomito vratilo zahtijeva pažljivu konstrukciju, kako gornji rotor ne bi hidrodinamički narušavao rad donjeg rotora. Izvedba Peltonove turbine s okomitim vratilom je povoljnija, jer omogućuje dovod vode po obodu rotora, te postavljanje rotora na minimalnu visinu iznad donje vode. Dovod vode po obodu rotora (u istoj horizontalnoj ravnini) omogućuje korištenje većeg broja mlazova koji se nalaze na istoj geodetskoj koti, a što je povoljno sa stanovišta regulacije.
Rotor Peltonove turbine, radi konstrukcijskih razloga, mora biti izdignut iznad donje vode za iznos koji je izravni gubitak, te treba biti minimalan. [4]
Mlaznica
Konstrukcijski gledano, Peltonove turbine su najednostavnije vodne turbine koje se sastoje od privoda vode, mlaznica i rotora. Mlaznicama se vrši pretvorba tlačne u kinetičku energiju vodnog mlaza, koji tu istu energiju predaje lopatici rotora. Regulacija se izvodi pomicanjem regulacijske igle.
Naglim zatvaranjem mlaznica regulacijskom iglom nastao bi hidraulički udar u tlačnom cjevovodu, koji bi mogao izazvati neželjene posljedice i nesreću. Radi toga se zatvaranje mlaznice s regulacijskom iglom izvodi polagano, a prava regulacija se izvodi regulacijskim deflektorom koji "rezanjem" vodnog mlaza pravovremeno regulira dotok vode. [5]
Izvori
- ↑ "Lester Allan Pelton, father of hydroelectric power", [1] publisher=Richard Neale "Rich" Tarrant, 2010.
- ↑ "Planetary Gravity-Assist and the Pelton Turbine" [2] publisher=Phy6.org, 2010.
- ↑ [3] "Knight Foundry and Sutter Creek" publisher=Sierra Nevada Virtual Museum, 2008.
- ↑ [4] "Vodne turbine" dr.sc. Zoran Čarija, Tehnički fakultet Rijeka, 2010.
- ↑ [5] "Vrste hidrauličkih turbina" prof.dr.sc. Sejid Tešnjak, prof.dr.sc. Davor Grgić, prof.dr.sc. Igor Kuzle, Fakultet elektrotehnike i računarstva Zagreb, 2010.