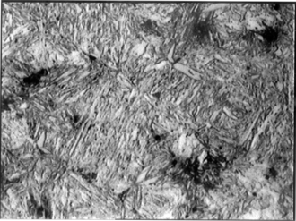
Martenzit


Martenzit je prezasićena kruta otopina ugljika u volumno centriranoj tetragonalnoj kristalnoj rešetci željeza. Nastaje kada se čelik austenitne mikrostrukture ohladi na određenu, dovoljno nisku temperaturu (Ms - temperatura početka stvaranja martenzita; Mf - temperatura završetka stvaranja martenzita) donjom kritičnom brzinom hlađenja. U mikrostrukturi takvog tzv. kaljenog čelika, martenzit se javlja u obliku nakupina igličastih kristala, koji se sijeku pod određenim kutevima. Pretvorba je bez difuzije, zavisna samo o temperaturi, a ne i o vremenu (atermička reakcija). Nestabilan je, tvrd je oko 728 HB (tvrdoća po Brinellu) i krhak, te je odgovoran za veliku tvrdoću kaljenih čelika. Martenzit ima najveći specifični obujam u odnosu na sve mikrostrukturne faze čelika. Naziv je dobio po njemačkom metalurgu Adolfu Martensu (1850. – 1914.). [1]
Brzina hlađenja čelika
Ukoliko se čelik hladi s povećanom brzinom nedostatno je vrijeme za završetak procesa difuzije; ili ovaj proces ne započinje, zbog pada temperature na onu vrijednost kod koje je difuzija "beskonačno" spora. To se često događa u proizvodnji, gdje uslijed ubrzanog hlađenja fazni preobražaji nastupaju pri nižim temperaturama od ravnotežnih ili do njih uopće ne dolazi. Mikrostruktura takvog čelika razlikuje se od one koju daje ravnotežni dijagram stanja, tim više što je veća brzina hlađenja, a ovisi još o sastavu legure i temperaturi zaustavljanja brzog hlađenja. [2]
Utjecaj brzine hlađenja na temperature faznih prijelaza odnosno na raspad austenita kod jednog podeutektoidnog čelika s 0,45% C (maseni udjel) prikazan je na slici. Kod malih brzina hlađenja (< 50 ºC/s) linije Ar3 i Ar1 su značajno udaljene. Ispod linije Ar3 izlučuje se proeutektoidni ferit, a kod Ar1 preostali austenit pretvara se u perlit.
S povećanjem brzine hlađenja u ovom području izdvaja se sve manje ferita. Kod brzine hlađenja od 50 ºC/s dolazi do spajanja dviju linija u jednu točku, jer se više ne izdvaja proeutektoidni ferit, već nastaje samo finolamelarni perlit. Struktura nastalog perlita tako je fino heterogena, da pod mikroskopom malog povećanja izgleda homogena i različita od strukture perlita. Taj strukturni sastojak čelika dobio je svojevremeno naziv sorbit, prema engleskom metalurgu Henryju Cliftonu Sorbyju, koji se danas više ne upotrebljava.
Daljnjim porastom brzine hlađenja smanjuje se temperatura Ar1. Kod brzine hlađenja od 250 ºC/s dolazi do nagle promjene mikrostrukture: pored perlita koji nastaje kod 600 ºC (Ar') pojavljuje se novi mikrostrukturni sastojak čelika martenzit kod 300 ºC (Ms), koji je dobio naziv prema njemačkom metalurgu Adolfu Martensu. On nastaje kada se čelik austenitne strukture ohladi na određenu, dovoljno nisku temperaturu Ms (temperaturu početka stvaranja martenzita) brzinom hlađenja koja se naziva donja kritična brzina hlađenja. U mikrostrukturi takvog tzv. kaljenog čelika martenzit se javlja u obliku nakupina igličastih kristala, koji se sijeku pod određenim kutevima.
Kod martenzitne reakcije transformira se γ-faza s plošno centriranom kubičnom kristalnom rešetkom u α-fazu s bazno-centriranom tetragonskom rešetkom. Uslijed velike brzine hlađenja i pada temperature brzina difuzije približava se praktički nuli, pa ugljik više nema mogućnosti da difundira kroz kristalnu rešetku ferita (α-Fe). Zbog viška atoma ugljika u prezasićenoj čvrstoj otopini kubična struktura α-Fe deformira se u tetragonsku. Tetragonska kristalna struktura martenzita zapravo je prezasićena čvrsta otopina ugljika u α-Fe. Nastala struktura ima određenu unutrašnju napetost, kojom se objašnjavaju visoka tvrdoća i otpornost martenzita prema nagrizanju s metalografskim reagensima.
Martenzitna transformacija ne nastaje procesom difuzije već spada u veoma brze, nedifuzijske procese. Temperatura početka stvaranja martenzita Ms ne ovisi o brzini hlađenja, već o sastavu legure, temperaturi s koje se čelik hladi (temperaturi kaljenja) i postupku kojem je čelik podvrgnut prije samog hlađenja. Ipak, da bi uopće mogao nastati martenzit mora biti dosegnuta i određena brzina hlađenja (donja kritična brzina hlađenja).
S porastom brzine hlađenja između donje i gornje kritične brzine ne mijenja se mikrostruktura čelika, već samo odnos između udjela perlita i martenzita. Pod mikroskopom relativno malog povećanja vide se tamne mrlja u obliku rozeta (tj. perlit koji se lako nagriza s metalografskim reagensima) uložene u svijetli martenzit, koji je otporan prema nagrizanju. Kako se fina lamelarna struktura perlita nije mogla vidjeti bez elektronskog mikroskopa ova mikrostruktura nazvana trostit, prema američkom metalurgu Geraldu Troostu opet je pogrešno proglašena novim strukturnim sastojkom čelika.
Iznad gornje kritične brzine hlađenja (od 600 ºC/s) ne nastaje više perlit već se dobiva samo martenzit. Ako se čelik ohladi na temperaturu između A1 i A3 brzinom iznad kritične dobivaju se strukture koje pored martenzita (eventualno trostita) sadrže ferit, odnosno sekundarni cementit.
Kada se čelik hladi brzinom između gornje i donje kritične brzine hlađenja na nižim temperaturama (između temperature stvaranja perlita i martenzita) tada se dobiva struktura sastavljena od ferita i cementita, ali različita od perlita. To je struktura međustupnja ili međustruktura nazvana bainit, prema američkom metalurgu Edgaru Bainu, koja nije jako izražena kod nelegiranih čelika. Struktura bainita razlikuje se od strukture perlita, jer je brzina difuzije atoma ugljika na ovoj temperaturi tako mala da se atomi ugljika ne mogu pomicati na veće udaljenosti i stvoriti lamele cementita. Zbog toga se umjesto lamela ferita i cementita stvaraju samo lamele ferita na čijim granicama se izdvaja cementit u obliku sitnih, kuglastih čestica vidljivih samo pomoću elektronskog mikroskopa. Razlika u strukturi između perlita i bainita posljedica je razlike u procesima njihovog nastajanja. [3]
Martenzitna pretvorba
U ravnotežnom dijagramu željezo-ugljik austenitnu strukturu nije moguće (u potpunosti) zadržati na sobnoj temperaturi ni uz najveću brzinu hlađenja, jer nastaje neravnotežni mikrokonstituent martenzit. Martenzitna pretvorba se javlja i u drugim sustavima npr. Cu-Sn, Fe-Ni, Au-Cd i Co-Ni. Ona se u mnogo čemu razlikuje od perlitne reakcije ili rekristalizacije, odnosno difuzijskih procesa, koje obilježavaju nukleacija i rast kristala. Osnovne značajke martenzitne transformacije su, da je: atermička, smicajna ili displacivna, bez difuzije i autokatalitička.
Martenzitna pretvorba je atermička, jer martenzit nastaje samo pri naglom hlađenju legure ispod određene temperature Ms, dok njegova količina ovisi o temperaturi zakaljivanja. Kod temperature Mf transformacija u martenzit je potpuna.
Martenzitna pretvorba je smicajna (displacivna), jer je proces nastajanja martenzita povezan sa smicanjem kristalne rešetke. Vidljiva potvrda smicanja može se dobiti pomoću eksperimenta kada na poliranu površinu uzorka austenitne mikrostrukture se urežu paralelne linije; uzorak se zatim zakaljuje na temperaturu ispod Ms pri čemu nastaje martenzit, a na mjestima gdje označene linije sijeku pločice martenzita dolazi do njihovog smicanja. Smicanje ili displacivna priroda martenzitne pretvorbe tijekom reakcije stvara određena naprezanja.
Martenzitna pretvorba je proces bez difuzije, jer austenit i martenzit imaju isti kemijski sastav. Kod difuzijskih procesa kao što je reakcija stvaranja perlita dolazi do preraspodjele atoma ugljika, pa kemijski sastavi produkata i reaktanta nisu isti. Martenzitna reakcija se ne može spriječiti u pravilu ni najbržim zakaljivanjem, što znači da nema vremena za bilo kakav difuzijski proces. [4]
Izvori
- ↑ [1] "Fizikalna metalurgija I", dr.sc. Tanja Matković, dr.sc. Prosper Matković, www.simet.unizg.hr, 2011.
- ↑ "Specijalni čelici", dr. sc. Stjepan Kožuh, doc., Metalurški fakultet, www.simet.unizg.hr, 2010.
- ↑ "Strojarski priručnik", Bojan Kraut, Tehnička knjiga Zagreb 2009.
- ↑ [2] "Metali", www.ffri.uniri.hr, 2011.
