Analogne električne mreže u medicini

Izvor: Hrvatska internetska enciklopedija
Inačica 497617 od 30. travanj 2022. u 14:34 koju je unio WikiSysop (razgovor | doprinosi) (bnz)
Prijeđi na navigaciju Prijeđi na pretraživanje

Predložak:Wikipedizirati

Analogna elektronika

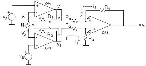
Slika 1: Instrumentacijski pojačavač

Analogna elektronika je grana elektronike koja se bavi analizom i obradom analognih signala koji su po vremenu i amplitudi kontinualni. Pojam analogna se odnosi na proporcionalost signala i veličine koja ga opisuje, bila to struja ili napon. Zadatak analogne elektronike jeste projektiranje analognih električnih mreža i analiza istih. Primjeri analognih električnih mreža su ispravljači, stabilizatori, oscilatori, filtri, modulatori, demodulatori, CFB pojačavači, operacijski pojačavači kojih ima mnoštvo, neki od njih su naponski komparator, neinvertirajući, invertirajući, instrumentacijski, diferencijator, integrator, sabirač, diferencijalni pojačavač. Suvremena elektronika se bazira na PN spoju koji nastaje spajanjem dva poluvodiča od kojih je jedan P-tipa, a drugi N-tipa. Gotovo svaka važna komponenta ga sadrži u sebi, poput dioda, BJT (bipolarni tranzistor), MOSFET, JFET i drugi. Takođe, spomenuti pn spoj predstavlja osnovu velikog broja optoelektronskih komponenti, poput poluvodičkih lasera, solarne ćelije, fotodetektora, itd. Važno je napomenuti i da u elektronici postoji veliki broj režima rada sa pn spojem zbog čega suvremena elektronika ima veliki značaj. Režimi koji se najviše sreću u elektronskoj teoriji i praksi su prekidački, ispravljački i pojačavački. Mrežana slici 1. predstavlja. U biomedicinskim aplikacijama instrumentacijski pojačavač zahtjeva veliko pojačanje, dobar CMRR(faktor potiskivanja srednje vrijednosti signala)sa manje šuma i nisku snagu optimizacije. Ova mreža ima mogućnost regulacije pojačanja pomoću otpornika R1, pritom promjena njegove otpornosti ne utiče na CMRR, te on ima mogućnost da pojačava male ulazne signale zbog čega je našao široku primjenu u medicini.

Struja kroz otpornik R1

i Na osnovu struje koja teče kroz R1 i R2 nje možemo da nađemo napone na izlazima pojačavača op1 i op2:

Struja kroz otpornike R3 i R4

Konačan izraz za izlazni napon

Medicinska elektronika

Medicinska elektronika je grana elektronike u kojoj se elektronske komponente, a samim tim i električne mreže i instrumenti primjenjuju u medicinske svrhe, to mogu biti dijagnostika, liječenje, elektronska kontrola anestezije, kontrola rada srca, razna klinička istraživanja, pa čak i najsloženije procedure kao što su operativni zahvati u kojima je neophodna izuzetna preciznost. Medicinska elektronika je jedno od najbrže rastućih naučnih polja ove ere. Na siguran način obezbjeđuje najpreciznije i najpouzdanije rezultate u oblasti medicine. Preciznm mjernim instrumentima i brojnim inovacijama ova grana odgovara na potrebu čovjeka za tačnošću, sigurnošću, brzinom. Koriste se u dijagnostici i tretiranju različitih bolesti i stanja. Ova naučna disciplina zahtjeva znanje i iskustvo velikog broja stručnjaka iz različitih naučnih oblasti, te predstavlja spoj hemije, biologije, fizike, medicine, elektronike, programiranja i mnogih drugih prirodnih i tehničkih nauka u cilju stvaranja savremenih i sigurnih dijagnostičkih alata, mjernih instrumenata, proizvodnje umjetnih organa, prostetike, medicinskih informatičkih sustava. U ovoj oblasti se koristi mnoštvo analognih, digitalnih mreža i procesora, čijim dizajnom, korišćenjem, principima rada i opravkama inženjeri u potpunosti ovladaju. Neke od užih specijalnosti u medicinskoj elektronici su biomedicinski, biomehanički, rehabilitacijski i ortopedski inženjering.

Povijesni razvoj

Dioda koja je sama po sebi pn spoj je bila prva komponenta u polovodičkoj tehnologiji i otkrio je 1873. godine Frederic Guthrie, isti princip je nezavisno od njega otkrio i Thomas Edison 1880. godine, međutim to nije imalo nekog praktičnog značaja, te je John Ambrose Fleming analizirajući Edisonovo otkriće shvatio da se ono može imati praktičnu primjenu i 1904. godine je patentirao prvu termioničku diodu. 1947. godine je izrađen prvi tranzistor u poluprovodničkoj tehnologiji, a 1959. godine je došlo do potpune ekspanzije kada su na jedno germanijskoj pločici ugrađena dva tranzistora, čime započinje era praktične realizacije integriranih električnih mreža što je omogućilo da se na jednom čipu ugradi više milijuna elektronskih komponenti, a to je našlo široku primjenu u velikom broju disciplina koje wu zahtjevale tehnološki napredak, pa samim tim i u medicini.